Parafusos
Parafuso de Tala de Junção (PTJ): Parafuso de cabeça abaulada e pescoço para permitir o seu aprisionamento na tala de junção, na montagem de junta da via férrea.
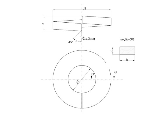
Arruela de Pressão para parafuso de Tala de Junção (APTJ): Arruela de pressão utilizada na montagem do conjunto parafuso-porca de tala de junção como elemento de trava, evitando o afrouxamento do parafuso e da porca.
Modelos de parafusos e porcas:
22 X 110 – Trilho TR 37 | 24 X 130 – Trilho TR 45 | 24 X 140 – Trilho TR 50 e TR 57 | 24 x 150 – Trilho TR 68
Modelos de arruelas de pressão:
22 X 110 – Trilho TR 37 | 24 X 130 – Trilho TR 45 | 24 X 140 – Trilho TR 50 e TR 57 | 24 x 150 – Trilho TR 68
Parafusos:
Dimensões conforme a ABNT-NBR-9262/1986 e NBR-9263
| Tipo de parafuso de tala de junção (mm) | Dimensão nominal (mm) | ||||||||||||
| A | I | k | b | l1 | l2 | l3 | d | D | S1 | S2 | R1 | R2 | |
| 22 x 110 | 124 | 110 | 14 | 63 | 47 | 13 | 34 | 22 | 38 | 30 | 31 | 35 | 13 |
| 24 x 130 | 145 | 130 | 15 | 74 | 56 | 14 | 42 | 24 | 43 | 34 | 35 | 40 | 15 |
| 24 x 140 | 155 | 140 | 15 | 74 | 66 | 14 | 52 | 24 | 43 | 34 | 35 | 40 | 15 |
| 24 x 150 | 165 | 150 | 15 | 74 | 76 | 14 | 62 | 24 | 43 | 34 | 35 | 40 | 15 |
Dimensões em mm
| Parafuso | Porca | Tipo de trilho correspondente | |
| Diâmetro | W largura nominal | U espessura nominal | |
| 22 | 36 | 22 | TR-37 |
| 24 | 41 | 24 | TR-45, TR-50, TR-57 e TR-68 |


