Placas de apoio
Placa de Apoio (PA): É um elemento estrutural colocado sob o trilho, utilizado para proporcionar melhor distribuição de cargas e esforços transversais sobre os elementos de fixação, reduzir a pressão sobre o dormente ou estrutura de suporte e garantir a retenção lateral do trilho.
– Ferro Fundido e Aço Laminado
– Novas e Servível
– Fixação Rígida e Elástica
Modelos disponíveis:
PAA – Placa de apoio de fixação direta com furação quadrada e circular (Fixação rígida)
PAA 37 | PAA 45 | PAA 57 | PAA 68
PAP – Placa de apoio de fixação elástica
PAP 37 | PAP 45 | PAP 50 | PAP 57 | PAP 60 | PAP 68
PAK – Placa de apoio de fixação especial
PAK 37 | PAK 45 | PAK 50 | PAK 57 | PAK 60 | PAK 68
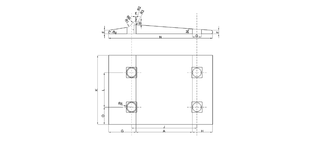
Placas de apoio modelo PAA (Fixação Direta / Rígida)
Dimensões conforme ABNT-NBR-15497/2007
| Dimensões básicas | TR 37 | TR 45 | ||
| A | Largura da mesa (largura máxima do patim do trilho) | 123,8 | 132,8 | |
| B | Altura da retenção lateral, ombreira da placa (espessura máxima do patim) | 7,94 | 7,94 | |
| C | Espessura da Placa | Inclinação 1:20 | 17,30 | 18,40 |
| Inclinação 1:40 | 14,29 | 15,08 | ||
| D | Diâmetro do furo | Tabela 3.1 | ||
| E | Espessura do encosto do trilho | 1,59 | 1,59 | |
| F | Espessura da placa | 7,9 | 7,9 | |
| G | Distância entre ombreira e a borda da placa (parte grossa) | 60,30 | 69,80 | |
| H | Distância entre a ombreira e a borda da placa (parte fina) | 44,45 | 52,40 | |
| I | Inclinação da placa | Conforme projeto | ||
| J | Distância entre centros de furos (dimensão A + dimensão D) | Conforme projeto | ||
| K | Largura da placa de apoio | 152,40 | 158,80 | |
| L | Distância entre furos | 76,20 | 88,80 | |
| M | Espessura mínima da mesa da placa | 11,11 | 11,90 | |
| N | Comprimento da placa | 228,60 | 254,00 | |
| O | Distância entre o centro do furo e a borda da placa | 38,10 | 35,00 | |
| R1 | Raio | 25,40 | 25,40 | |
| R2 | Raio | 0,79 | 0,79 | |
| R3 | Raio | 1,60 | 1,60 | |
| R4 | Raio | 3,18 | 3,18 | |
| R5 | Raio | 1,59 | 1,59 | |
| R6 | Raio | 7,94 | 7,94 | |
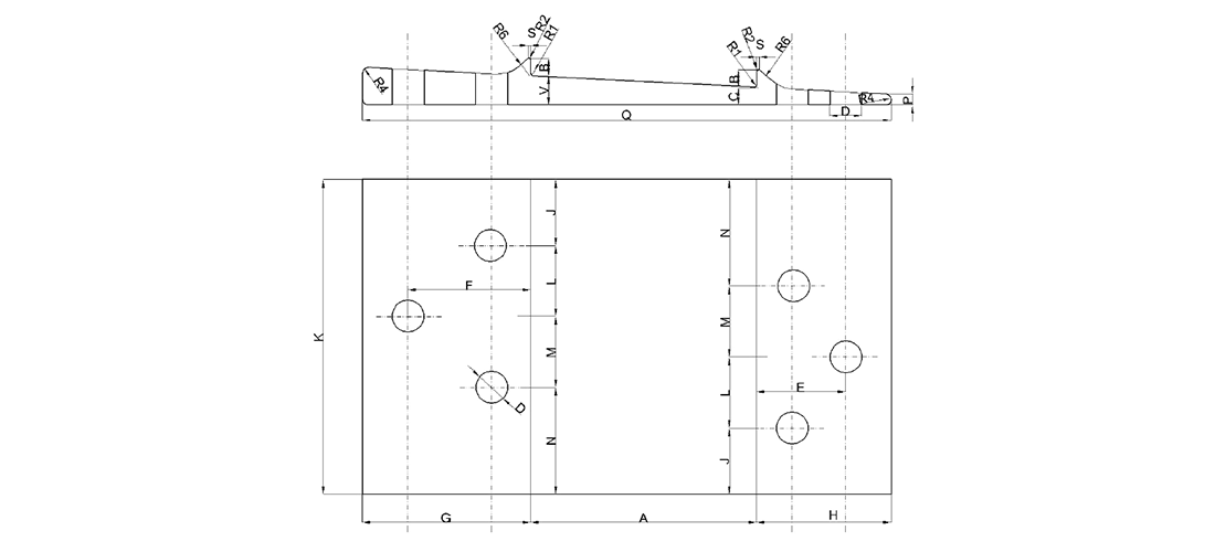
TR 57 e TR 69
Dimensões conforme ABNT-NBR-15497/2007
| Dimensõesbásicas | TR 57 | TR 68 | ||
| A | Largura da mesa (largura máxima do patim do trilho) | 141,8 | 154,0 | |
| B | Altura da retenção lateral, ombreira da placa (espessura máxima do patim) | 11,00 | 11,00 | |
| C | Espessura da Placa | Inclinação 1:20 | 25,00 | 32,60 |
| Inclinação 1:40 | 21,40 | 28,70 | ||
| D | Diâmetro do furo | Tabela 3.1 | ||
| E | Distância entre o centro do furo e o encosto da placa (parte fina) | 55,50 | 58,70 | |
| F | Distância entre o centro do furo e o encosto da placa (parte grossa) | 76,20 | 75,60 | |
| G | Distância entre o encosto e a borda da placa (parte grossa) | 104,80 | 158,80 | |
| H | Distância entre o encosto e a borda da placa (parte fina) | 84,10 | 93,60 | |
| I | Inclinação | Conforme projeto | ||
| J | Distância entre o centro do furo e a borda da placa | 41,30 | 41,30 | |
| K | Largura da placa de apoio | 196,80 | 196,80 | |
| L | Distância entre centros de furos | 44,40 | 44,40 | |
| M | Distância entre centros de furos | 44,40 | 44,40 | |
| N | Distância entre o centro do furo e a borda da placa | 66,60 | 66,70 | |
| O | Medida que o furo avança na mesa | 0,80 | 0,80 | |
| P | Espessura da placa | 11,10 | 9,50 | |
| Q | Comprimento da placa | 330,20 | 406,40 | |
| S | Espessura do encosto do trilho | 1,60 | 1,60 | |
| V | Espessura da placa | 18,30 | 24,60 | |
| R1 | Raio | 1,60 | 1,60 | |
| R2 | Raio | 0,80 | 0,80 | |
| R3 | Raio | 31,70 | 31,70 | |
| R4 | Raio | 3,20 | 3,20 | |
| R5 | Raio | 11,10 | 11,10 | |
| R6 | Raio | 25,40 | 25,40 | |
Placas de apoio modelo PAP (Fixação Elástica)
Dimensões conforme ABNT-NBR-15497/2007
| Dimensões básicas | TR 37 | TR 45 | TR 50 | TR 57 | TR 60 | TR 68 | ||
| A | Largura da mesa (largura máxima do patim do trilho) | 124,4 | 132,3 | 138,5 | 141,8 | 152,2 | 154,6 | |
| B | Região plana para assento do clipe | 42,0 | 47,0 | |||||
| C | Altura da retenção lateral, ombreira da placa (espessura máxima do patim) | 11,0 | ||||||
| D | Espessura mínima da mesa | Inclinação 1:20 | Inclinação 14,7 | |||||
| Inclinação 1:40 | Inclinação 16,0 | |||||||
| E | Distância mínima do centro do furo à borda da placa | Deve ser igual a 1,5 vezes o diâmetro do furo | ||||||
| F | Distância entre a ombreira da placa e o centro do furo onde está o clipe | 100 | ||||||
| G | Diâmetro do furo | Conforme Tabela 3.1 | ||||||
| H | Distância entre a linha de referência (tangente ao olhal) e a mesa | 13,5 | 14,4 | |||||
| I | Inclinação da placa | Conforme projeto | ||||||
| J | Distância entre a linha de referência (tangente ao olhal) e a base para assento do clipe | 7,0 | 14,0 | |||||
| K | Distância entre a ombreira da placa e o centro do furo onde não está o clipe | 51,0 | ||||||
| L | Comprimento do encaixe do clipe | 77,0 | ||||||
| M | Largura da placa de apoio | Inclinação Dormente 220 | Inclinação 160,0 | |||||
| Inclinação Dormente 240 | Inclinação 170 | |||||||
| R1 | Raio Externo do olhal | 24,0 | ||||||
| R2 | Raio Interno do olhal | 12,0 | ||||||
| RI | Raio Interno | 2,0 | ||||||
| RE | Raio Externo | 5,0 | ||||||
Placas de Apoio Modelo PAK (Fixação Especial)
Dimensões conforme ABNT-NBR-15497/2007
| Dimensões básicas | TR 37 | TR 45 | TR 50 | TR 57 | TR 60 | TR 68 | ||
| A | Largura da mesa (largura máxima do patim do trilho) | 124,4 | 132,3 | 138,5 | 141,8 | 152,2 | 154,6 | |
| B | Espessura mínima da mesa | Inclinação 1:20 | Inclinação 15,0 | |||||
| Inclinação 1:40 | Inclinação 13,0 | |||||||
| C | Diâmetro do furo | Conforme Tabela 3.1 | ||||||
| D | Distância mínima do centro do furo à borda da placa | Deve ser igual a 1,5 vezes o diâmetro do furo | ||||||
| E | Largura da retenção lateral | 31,0 | ||||||
| F | Região de furação deve ser plana | 55,0 | ||||||
| G | Apoio do clipe | 23,0 | ||||||
| H | Distância entre furos | 90,0 | ||||||
| I | Inclinação da placa de apoio | Conforme Projeto | ||||||
| J | Largura da placa de apoio | Dormente 220 | 160,0 | |||||
| Dormente 240 | 170,0 | |||||||
| RI | Raio Interno | 2,0 | ||||||
| RI | Raio Externo | 5,0 | ||||||



